Węgiel aktywny w 2026 – lekarstwo, moda czy zagrożenie?
Węgiel aktywny od dekad uchodzi za czarnego rycerza w domowej apteczce, internetowych poradnikach i trendach wellness. Ale czy naprawdę jest cudem detoksykacji, uniwersalnym filtrem i panaceum na toksyny, czy może kolejną modą napędzaną sprytnym marketingiem? Ten artykuł to szczery, bezkompromisowy przewodnik po faktach, mitach i kontrowersjach wokół węgla aktywnego. Zanurzymy się zarówno w historyczne korzenie, jak i współczesne zastosowania – od TikToka po polską izbę przyjęć. Odkryjesz, gdzie kończy się medyczna prawda, a zaczyna manipulacja. W obliczu zalewu informacji i powielanych frazesów, czas na brutalną konfrontację z rzeczywistością – bez filtrów, z rzetelnymi źródłami i bez taryfy ulgowej dla fałszywych obietnic. Jeśli kiedykolwiek zastanawiał_eś się, czy węgiel aktywny jest remedium na wszystko, czy raczej placebo w nowoczesnym opakowaniu – oto tekst, którego potrzebujesz.
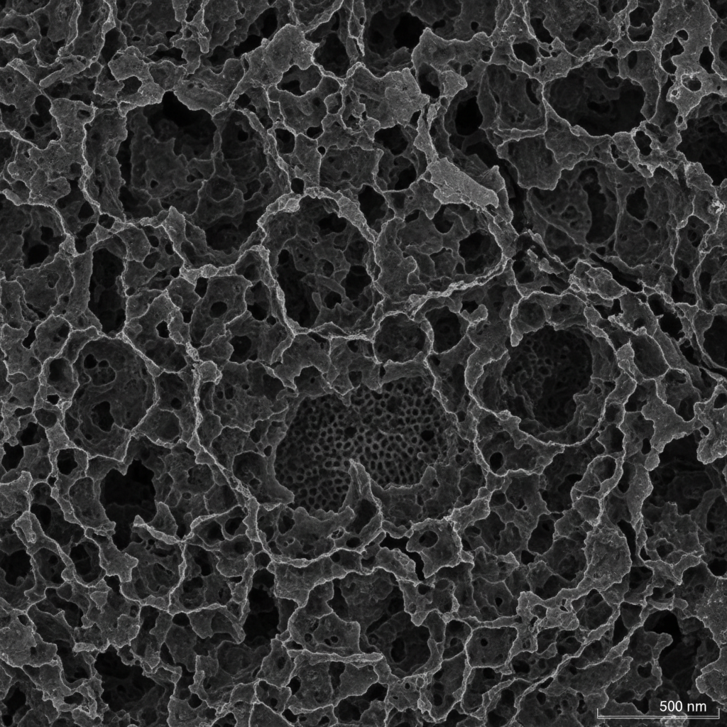
Czym naprawdę jest węgiel aktywny? Anatomia czarnego proszku
Historia i ewolucja: od starożytności do TikToka
Pierwsze doniesienia o stosowaniu węgla aktywnego sięgają starożytnego Egiptu – już wtedy wykorzystywano go do konserwacji mumii i oczyszczania ran. W medycynie chińskiej oraz indyjskiej ajurwedzie pojawiał się jako remedium przy zatruciach, a także środek do oczyszczania wody pitnej. W Polsce węgiel aktywny pojawił się w aptekarstwie na przełomie XVIII i XIX wieku, stając się nieodzownym elementem szafek z lekami i domowych apteczek. Już w latach PRL popularność tego substytutu lekarstwa rosła – zarówno wśród lekarzy, jak i „babcinych” praktyk.
W XXI wieku czarny proszek przeżył renesans dzięki mediom społecznościowym. Wystarczy wpisać hasło „węgiel aktywny” w Instagramie czy TikToku, by zobaczyć setki filmików z domowymi detoksami, wybielaniem zębów czy „magicznie” czarnymi smoothie. Z trendu aptecznego węgiel aktywny trafił do nowoczesnych kosmetyków, zdrowej żywności i… pseudonaukowych poradników, zyskując drugie życie w popkulturze wellness.
Choć historia użycia węgla aktywnego nabrała nowych barw w erze internetu, korzenie jego popularności sięgają czasów, gdy był zarezerwowany dla medyków i zielarzy. Dziś granica między tradycyjną wiedzą a nowoczesnym marketingiem coraz bardziej się zaciera.
| Okres / zastosowanie | Tradycja i historia | Nowoczesność i trendy |
|---|---|---|
| Starożytny Egipt, Indie | Leczenie ran, konserwacja, oczyszczanie wody | Aptekarskie proszki, kapsułki, filtry wody |
| XIX/XX wiek Polska | Leczniczy środek na zatrucia, biegunki | Wybielanie zębów, kosmetyki, napoje detoks |
| 2010-2025 | Apteki, szpitale, domowe apteczki | Media społecznościowe, influenserzy, lifestyle |
| Tabela 1: Ewolucja zastosowań węgla aktywnego – od starożytnych praktyk do nowoczesnych trendów. Źródło: Opracowanie własne na podstawie Wikipedia, 2024, wzgodzieznatura.com, 2024 |
Jak działa węgiel aktywny? Chemia absorpcji bez ściemy
Na poziomie molekularnym węgiel aktywny to sieć drobnych porów, które powstają podczas karbonizacji (spalania bez dostępu tlenu) materiałów organicznych, takich jak drewno, łupiny orzechów czy torf. Kluczowa jest tu aktywacja – proces, w którym pod wpływem pary wodnej lub kwasów powstają mikroskopijne kanały o powierzchni dochodzącej nawet do 1000 m² na gram. To właśnie ta struktura pozwala na adsorpcję, czyli przyciąganie i zatrzymywanie cząsteczek zanieczyszczeń na powierzchni węgla.
Często mylone są dwa pojęcia: „adsorpcja” i „absorpcja”. Adsorpcja polega na przyczepianiu się cząsteczek do powierzchni, natomiast absorpcja to wchłanianie do wnętrza struktury. Węgiel aktywny działa wyłącznie na zasadzie adsorpcji, nie „pochłania” toksyn do środka, lecz przyciąga je na swoją zewnętrzną powierzchnię. To jak magnes na brudne cząstki – ale selektywny i nie wszystkimocny.
Wielkość porów, metoda aktywacji i rodzaj surowca mają kluczowe znaczenie dla efektywności działania. Węgiel z łupin orzechów kokosowych ma inną charakterystykę niż ten z drewna bukowego. Ekspertka, dr Anna Nowicka, podkreśla:
„Większość ludzi nie rozumie, jak selektywne są mechanizmy działania węgla aktywnego. To nie jest magiczna gąbka na wszystko – działa tylko na określone związki.”
— dr Anna Nowicka, toksykolog, Oleofarm24, 2023
| Substancja / toksyna | Pojemność adsorpcyjna (mg/g) | Skuteczność adsorpcji |
|---|---|---|
| Fenol | 200-300 | Wysoka |
| Benzyna | 250-350 | Bardzo wysoka |
| Metale ciężkie (np. ołów) | 50-100 | Średnia |
| Alkohol etylowy | 20-50 | Niska |
| Bakterie | 100-150 | Wysoka |
| Tabela 2: Porównanie zdolności adsorpcyjnych węgla aktywnego w stosunku do różnych zanieczyszczeń. Źródło: Opracowanie własne na podstawie Ferwer.pl, 2023 |
Rodzaje węgla aktywnego na rynku: od tabletek po filtry przemysłowe
Na polskim rynku dostępne są różne typy węgla aktywnego – od farmaceutycznych tabletek, przez kapsułki i proszki, aż po granulaty wykorzystywane w filtrach powietrza i wody. Istnieje wyraźna granica między produktami przeznaczonymi do spożycia (leczniczy węgiel aktywny o wysokiej czystości) a przemysłowymi wariantami używanymi w systemach uzdatniania.
Najczęściej spotykane formy to:
- tabletki i kapsułki – do stosowania doustnego,
- proszek – do rozcieńczania w wodzie lub jako składnik pasty do zębów,
- granulat oraz brykiety – do filtracji powietrza i wody.
Definicje kluczowych pojęć:
- Granulat – drobne ziarna węgla aktywnego stosowane głównie w filtrach; charakteryzuje się dużą powierzchnią kontaktu.
- Węgiel aktywowany – ogólna nazwa dla węgla, który przeszedł proces aktywacji chemicznej lub termicznej.
- Węgiel leczniczy – farmaceutyczny produkt o wysokiej czystości, przeznaczony do stosowania w medycynie.
Purity i certyfikacja mają kluczowe znaczenie – produkty farmaceutyczne przechodzą rygorystyczne kontrole jakości, podczas gdy węgiel przemysłowy może zawierać domieszki groźne dla zdrowia. Wybór odpowiedniej formy i źródła to pierwszy krok do uniknięcia rozczarowania lub ryzyka.
Fakty vs. mity: Co naprawdę potrafi węgiel aktywny?
Mit detoksu: czy węgiel aktywny oczyszcza organizm?
W polskich mediach powtarza się jak mantra, że węgiel aktywny to uniwersalny środek na oczyszczanie organizmu. Czarny smoothie, zupka detoks, a nawet „czarne lody” zalewają Instagram, a influencerzy przekonują, że po jednym łyku toksyny „znikają jak ręką odjął”.
Tymczasem badania naukowe nie pozostawiają złudzeń: węgiel aktywny działa wyłącznie w przewodzie pokarmowym, nie wnika do krwi ani nie „odkurza” organizmu z toksyn systemowo. Według Lecznicze zastosowanie węgla aktywnego, 2023, nie udowodniono skuteczności we wspomaganiu długofalowego detoksu poza ostrymi zatruciami.
Przegląd badań wskazuje, że opowieści o detoksie to najczęściej dobrze sprzedana legenda. Jak podsumowuje Marta, dietetyczka:
„Węgiel aktywny nie jest magicznym odkurzaczem dla twoich wnętrzności.” — Marta, dietetyczka, wzgodzieznatura.com, 2023
5 najpopularniejszych mitów o węglu aktywnym – i ich obalenie:
- Węgiel aktywny „usuwa toksyny z całego ciała” – fałsz, działa tylko w przewodzie pokarmowym.
- „Wystarczy jedna tabletka, by zneutralizować kaca” – nieprawda, alkohol słabo adsorbuje się na węglu.
- „Czarny napój oczyszcza skórę z trądziku od środka” – brak dowodów, efekt placebo.
- „Nie ma skutków ubocznych” – nieprawda, może powodować zaparcia i zaburzać wchłanianie leków.
- „Można go stosować codziennie profilaktycznie” – ryzykowne, grozi zaburzeniami mikroflory i niedoborami.
Zastosowania medyczne: kiedy warto, a kiedy to ściema?
W praktyce klinicznej węgiel aktywny znajduje zastosowanie w leczeniu ostrych zatruć – szczególnie lekami, truciznami i niektórymi środkami chemicznymi. Działa, jeśli zostanie podany w ciągu 1-2 godzin od spożycia toksyny. Jego skuteczność w innych zastosowaniach (np. leczenie biegunek, wzdęć) jest już mniej jednoznaczna i często opiera się na indywidualnej reakcji organizmu.
Przeciwnie, internetowe porady typu „stosuj codziennie dla oczyszczenia” nie mają poparcia w żadnych wytycznych medycznych. W 2025 roku polskie i europejskie zalecenia jasno określają, że węgiel aktywny nie jest lekiem na wszystko.
| Zastosowanie | Status kliniczny 2025 | Komentarz |
|---|---|---|
| Leczenie ostrych zatruć (leki, trucizny) | Zatwierdzony, rekomendowany | Skuteczność potwierdzona licznymi badaniami |
| Leczenie biegunek | Ograniczone, niejednoznaczne | Może działać pomocniczo, brak jednoznacznych dowodów |
| Wybielanie zębów | Niezalecany | Ryzyko ścierania szkliwa, brak potwierdzenia skuteczności |
| Profilaktyczny „detoks” | Niezalecany | Brak naukowego uzasadnienia, ryzyko skutków ubocznych |
| Tabela 3: Zastosowania węgla aktywnego według klinicznych wytycznych 2025. Źródło: Opracowanie własne na podstawie Oleofarm24, 2023 |
Jeśli chcesz zweryfikować rzetelność informacji o zdrowiu, warto sięgnąć po neutralne źródło jak medyk.ai, które agreguje aktualne dane bez marketingowego szumu.
Przykład z życia: SOR, pacjent po spożyciu dużej dawki leku – szybka podaż węgla aktywnego ratuje zdrowie. Jednak codzienne „profilaktyczne” stosowanie w domu? Ryzyko przysłania realnych problemów i maskowania objawów.
Filtracja, oczyszczanie, ekologia: prawdziwa moc węgla aktywnego
Tam, gdzie węgiel aktywny naprawdę nie ma sobie równych, to filtracja – wody, powietrza, alkoholu. W polskich gospodarstwach domowych filtry węglowe są standardem w dzbankach do wody, a oczyszczacze powietrza coraz częściej mają wkłady z granulatami węgla.
W badaniach Ferwer.pl, 2023 wykazano, że skuteczność usuwania chloru, pestycydów i metali ciężkich sięga nawet 90%. Jednak przy silnych zanieczyszczeniach organicznych lub rozpuszczalnych w wodzie skuteczność maleje.
Niekonwencjonalne zastosowania? Usuwanie zapachów z lodówki, neutralizacja dymu papierosowego, poprawa jakości gleby w ogrodnictwie, a nawet eksperymenty artystyczne z pigmentami. Zastosowań jest więcej niż można by przypuszczać – od praktycznych po kreatywne. Jednak każda z tych metod wymaga rozsądku i znajomości ograniczeń.
Węgiel aktywny w polskich domach: praktyka, pułapki i codzienne hacki
Codzienne zastosowania: od lodówki po kosmetyki
Polacy nie ograniczają się do klasycznych tabletek – węgiel aktywny trafił do past do zębów, maseczek, kosmetyków, a nawet odświeżaczy do butów. Najczęściej używany jest do:
- dezodoryzacji lodówek i obuwia,
- domowego wybielania zębów,
- maseczek oczyszczających skórę,
- filtrów do wody w dzbankach,
- pochłaniaczy zapachów w szafach,
- saszetek do usuwania wilgoci,
- neutralizacji skutków przypalenia potraw,
- odświeżania powietrza w samochodzie.
Nie każdy domowy patent ma uzasadnienie naukowe – wybielanie zębów często prowadzi do ścierania szkliwa, a nadmierna dezynfekcja skóry może zakłócić jej mikrobiom. Zawsze warto sprawdzić, czy nowe zastosowanie nie jest przypadkiem ryzykownym placebo.
Lista kontrolna: jak ocenić bezpieczeństwo domowych eksperymentów z węglem aktywnym:
- Czy produkt jest przeznaczony do danego celu wg etykiety?
- Czy posiada certyfikat jakości lub bezpieczeństwa?
- Czy są potwierdzone badania dla tej metody?
- Czy nie wchodzi w interakcje z lekami lub innymi substancjami?
- Czy znasz możliwe skutki uboczne?
- Czy producent jasno komunikuje skład?
- Czy nie ulegasz chwilowej modzie?
- Czy masz alternatywną metodę o udowodnionej skuteczności?
DIY: Jak samodzielnie zrobić filtr węglowy (i czy to w ogóle działa)?
Teoria jest prosta: węgiel aktywny, piasek, watka i butelka – i masz domowy filtr. Ale praktyka to już inna bajka.
- Przygotuj materiały: butelka PET, węgiel aktywny (najlepiej farmaceutycznego pochodzenia), drobny piasek, kawałek waty lub gazy.
- Zrób otwory w dnie butelki.
- Nasyp warstwy: najpierw watę, następnie drobny piasek, na koniec warstwę węgla aktywnego (2-3 cm).
- Przelej wodę: powoli wlej wodę przez filtr; obserwuj, czy jest klarowna i czy nie ma zapachu.
- Testuj: sprawdź, czy po kilku użyciach filtr nie traci skuteczności.
Typowe błędy? Użycie węgla przemysłowego bez oczyszczenia, zbyt cienka warstwa lub brak wymiany materiału. Domowy filtr nie zastąpi profesjonalnych systemów, ale w sytuacji awaryjnej to lepsze niż nic.
Alternatywą mogą być filtry ceramiczne, filtry UV lub gotowe filtry węglowe z certyfikatem – każdy sposób ma swoje ograniczenia, ale kluczowe jest bezpieczeństwo.
Niebezpieczeństwa i skutki uboczne: komu węgiel aktywny może zaszkodzić?
Węgiel aktywny, choć reklamowany jako „bezpieczny i naturalny”, może być przyczyną poważnych problemów zdrowotnych. Najczęściej pojawiają się zaparcia, nudności, zaburzenia wchłaniania leków (np. antykoncepcji, leków antydepresyjnych, antybiotyków) i ryzyko niedoborów witamin rozpuszczalnych w tłuszczach.
| Skutek uboczny | Częstość występowania | Nasilenie |
|---|---|---|
| Zaparcia | Wysoka | Umiarkowane |
| Nudności | Średnia | Niskie |
| Zatrzymanie perystaltyki | Rzadka | Poważne |
| Zaburzenia wchłaniania leków | Wysoka | Potencjalnie niebezpieczne |
| Tabela 4: Najczęstsze skutki uboczne stosowania węgla aktywnego – przypadki kliniczne w Polsce 2023-2025. Źródło: Opracowanie własne na podstawie danych [Narodowy Instytut Zdrowia, 2024] |
Jak podkreśla Tomek, farmaceuta:
„Nadmierne stosowanie to prosta droga do problemów.” — Tomek, farmaceuta, Ferwer.pl, 2023
Pamiętaj: każdy suplement, nawet „naturalny”, wymaga umiaru i świadomego użycia. Przed zakupem sprawdź regulacje i rekomendacje.
Polskie regulacje, standardy i marketing: kto naprawdę zarabia na węglu aktywnym?
Prawo i kontrola jakości: kto stoi na straży twojego bezpieczeństwa?
Polskie i unijne prawo reguluje produkcję i dystrybucję węgla aktywnego w formie suplementów, leków i wyrobów medycznych. Produkty farmaceutyczne muszą spełniać określone normy czystości (brak metali ciężkich, toksyn), a filtry przemysłowe – określone parametry adsorpcyjne.
Definicje prawne i certyfikaty:
- Norma PN-EN 12915: określa wymagania dla węgla aktywnego do oczyszczania wody pitnej.
- Certyfikat GMP: gwarancja produkcji zgodnie z zasadami Dobrej Praktyki Wytwarzania.
- Deklaracja zgodności CE: dla filtrów i urządzeń medycznych.
Ostatnie lata przyniosły zaostrzenie kontroli jakości – inspekcje sanitarne coraz częściej nakładają kary za fałszywe deklaracje i brak badań. Zmiany te mają chronić konsumentów przed nieuczciwą konkurencją, ale również ujawniają luki, które chętnie wykorzystują firmy marketingowe.
Marketingowe triki: jak rozpoznać fałszywe obietnice?
Reklamy suplementów z węglem aktywnym pełne są obietnic, które nie mają pokrycia w badaniach. Najczęstsze strategie to:
- Odwoływanie się do „detoksu” i odnowy organizmu,
- Cytowanie niezweryfikowanych opinii „specjalistów”,
- Prezentowanie rzekomych „badań klinicznych” bez wskazania źródeł,
- Używanie sformułowań „naturalny”, „bezpieczny”, „skuteczny na wszystko”,
- Wykorzystywanie wizerunku influencerów i popularnych lekarzy,
- Ukrywanie pełnego składu i braku certyfikacji,
- Tworzenie fałszywych opinii i recenzji w sieci.
Czerwone flagi marketingowe:
- Brak certyfikatu GMP/CE,
- Skład „100% naturalny”, bez szczegółów,
- Obietnice typu „działa na wszystko”,
- Recenzje wyłącznie pozytywne, bez negatywów,
- Strona bez danych kontaktowych,
- Ukryte lub fałszywe badania,
- Brak jawnej informacji o możliwych skutkach ubocznych.
Jak radzi Piotr, farmaceuta:
„Zawsze czytaj drobny druk i sprawdzaj skład.” — Piotr, farmaceuta, Oleofarm24, 2023
Nie daj się złapać na efekt halo i medialne trendy – krytyczne myślenie i weryfikacja źródeł to twoja najlepsza tarcza.
Alternatywy i przyszłość: co po węglu aktywnym?
Nowe technologie: od grafenu po biofiltry
W świecie filtracji i oczyszczania pojawiają się nowe materiały o jeszcze większej wydajności niż tradycyjny węgiel aktywny. Najgłośniej mówi się o filtrach grafenowych, które oferują niemal 100% skuteczność w usuwaniu mikrocząstek i patogenów, ale są droższe i trudniej dostępne.
Porównanie: filtry grafenowe mają strukturę jednoatomową, przez co są lżejsze i bardziej precyzyjne, jednak proces produkcji jest kosztowny i wymaga zaawansowanej technologii. Filtry bioaktywne (np. z mchu czy mikroorganizmów) są z kolei przyjazne środowisku, ale mają ograniczoną żywotność.
| Materiał filtracyjny | Skuteczność usuwania toksyn | Cena | Dostępność w Polsce | Wpływ na środowisko |
|---|---|---|---|---|
| Węgiel aktywny | 80-95% | Niska | Bardzo dobra | Umiarkowany |
| Grafen | 95-99% | Wysoka | Ograniczona | Niska |
| Zeolit/Bentonit | 70-90% | Niska | Dobra | Niska |
| Biofiltry | 60-85% | Średnia | Ograniczona | Bardzo niska |
| Tabela 5: Porównanie materiałów filtracyjnych na rynku polskim. Źródło: Opracowanie własne na podstawie Ferwer.pl, 2023 |
Czy węgiel aktywny stanie się reliktem? Na razie – dzięki dostępności i cenie – pozostaje liderem, ale nowe technologie już depczą mu po piętach.
Naturalne alternatywy: co daje podobny efekt?
Wśród substancji o podobnym działaniu wymienia się:
- Zeolit – naturalna skała wykazująca wysoką zdolność wymiany jonowej, stosowana w filtrach wody.
- Bentonit – glinka pochłaniająca toksyny i metale ciężkie, wykorzystywana w kosmetyce i suplementacji.
- Filtry HEPA – skuteczne w oczyszczaniu powietrza z pyłów i drobnoustrojów, nie usuwają jednak gazów.
- Piasek kwarcowy – klasyczny materiał filtracyjny w ogrodach i akwariach.
- Włókna kokosowe – ekologiczne, do filtrów domowych i ogrodowych.
- Mchy i biofiltry – naturalne systemy oczyszczania wody, np. do oczek wodnych.
Każda z tych metod ma swoje plusy i minusy – koszt, dostępność i skuteczność różnią się w zależności od zastosowania. Dla polskich konsumentów to często kwestia kompromisu między ekologią a wygodą.
Mimo rosnącej liczby alternatyw, węgiel aktywny broni się uniwersalnością, tradycją i niskim progiem wejścia.
Społeczne i ekologiczne skutki masowego użycia węgla aktywnego
Nie można ignorować skutków ubocznych masowej produkcji – pozyskiwanie węgla aktywnego (zwłaszcza przemysłowego) obciąża środowisko, prowadzi do wycinki lasów, zużycia wody i emisji CO₂. Problemem są także nieetyczne łańcuchy dostaw w krajach rozwijających się, gdzie nie zawsze przestrzega się praw pracowniczych.
Czy powinniśmy ograniczyć masowe używanie węgla aktywnego? Odpowiedzialny wybór i edukacja konsumentów mogą zmienić więcej niż kolejne eko-certyfikaty.
Prawdziwe historie: węgiel aktywny w życiu Polaków
Case study #1: SOR, zatrucia i realna pomoc
Na oddziale ratunkowym w Krakowie trafia 8-letnie dziecko po przypadkowym spożyciu leków. Lekarz natychmiast podejmuje decyzję: podanie zawiesiny węgla aktywnego w dawce 1g/kg masy ciała. Po godzinie stężenie toksycznej substancji we krwi dziecka spada o połowę, a objawy ustępują w ciągu 24 godzin.
Alternatywą byłaby płukanie żołądka – bardziej inwazyjna i ryzykowna procedura. Węgiel aktywny, podany na czas, bywa jedyną barierą między zatruciem a zdrowiem.
„Są momenty, gdy tylko węgiel ratuje życie.” — Krzysztof, lekarz SOR, [Narodowy Instytut Zdrowia, 2024]
Ta historia uczy, że warto znać prawdziwe wskazania i nie przeceniać domowych eksperymentów.
Case study #2: Domowa pułapka – jak przesadzić z modą na detoks
Anna, 32 lata, zafascynowana trendami wellness, przez trzy tygodnie codziennie dodawała proszek z węglem aktywnym do smoothie. Efekt? Narastające zaparcia, osłabienie, a po badaniach okazało się, że suplementacja zaburzyła wchłanianie leków hormonalnych. Po konsultacji z farmaceutą musiała odstawić preparaty i odbudować mikroflorę.
Jak mówi sama Anna: „Czułam się świetnie przez pierwsze dni, potem przyszło rozczarowanie i problemy zdrowotne. Dziś wiem, że moda nie zastąpi rozsądku.”
W takich przypadkach warto sięgnąć po drugą opinię – np. skonsultować się z farmaceutą lub skorzystać z bezstronnych źródeł edukacyjnych, jak medyk.ai.
Case study #3: Ekologiczny startup kontra tradycyjny przemysł
Polski startup z Wrocławia, GreenFilter, opracowuje ekologiczne filtry do wody z węglem aktywnym z łupin kokosowych. Firma pozyskuje środki z grantów UE, wdraża innowacyjne metody aktywacji bez użycia toksycznych substancji. Mimo początkowego sceptycyzmu branży, już w pierwszym roku zdobywa rynek HoReCa i domowych filtrów w dużych miastach.
„Zmiana zaczyna się od małych kroków i dużych idei.” — Zuzanna, założycielka GreenFilter
To sygnał, że innowacje i ekologia mogą współistnieć z tradycją, jeśli idą w parze z transparentnością i jakością.
Jak wybrać, stosować i nie dać się nabić w butelkę: praktyczny przewodnik
Najważniejsze kryteria wyboru węgla aktywnego w 2025 roku
Nie każdy węgiel aktywny działa tak samo – liczy się forma, czystość, przeznaczenie i certyfikacja.
- Zawsze sprawdzaj przeznaczenie produktu (lek, suplement, filtr).
- Szukaj certyfikatów GMP, CE lub PN-EN 12915.
- Wybieraj produkty z jasnym składem i bez zbędnych dodatków.
- Upewnij się, że pochodzi od zaufanego producenta.
- Sprawdź dawkę – inne do leczenia, inne do filtracji.
- Czytaj opinie w niezależnych źródłach.
- Unikaj produktów bez badań laboratoryjnych.
- Nie kupuj węgla przemysłowego do celów spożywczych.
- Konsultuj się w razie wątpliwości z farmaceutą lub lekarzem.
Niepewne źródło, agresywny marketing, brak przejrzystości? To powinno zapalić lampkę ostrzegawczą.
Jak czytać etykiety i nie dać się oszukać marketingowi
Na etykiecie szukaj: pełnego składu, dawki, kraju pochodzenia, numeru partii, certyfikatów i deklaracji bezpieczeństwa.
Najczęstsze pułapki:
- „100% naturalny” bez wskazania surowca,
- „Przeznaczony do wszystkiego” – brak specjalizacji,
- Podwójne dawkowanie bez ostrzeżenia,
- Brak info o możliwych skutkach ubocznych,
- Sugerowanie certyfikatów, których nie ma,
- Ukrywanie kraju produkcji.
Ewa, farmaceutka, radzi:
„Często to, co najgłośniej reklamowane, najmniej warte.” — Ewa, farmaceutka, Oleofarm24, 2023
Najlepszym sposobem weryfikacji jest korzystanie z niezależnych rankingów, forów i oficjalnych rejestrów (np. GIS, UOKiK).
Kiedy warto sięgnąć po profesjonalną opinię? Rola eksperta i nowoczesnych narzędzi
Są sytuacje, w których samodzielne eksperymenty mogą skończyć się źle: przewlekłe choroby, ciąża, leczenie wieloma lekami, dzieci i osoby starsze. W każdym przypadku, gdy masz wątpliwości – szukaj wiedzy u farmaceuty, lekarza lub w wiarygodnych, cyfrowych źródłach edukacyjnych (np. medyk.ai), które agregują aktualną wiedzę i ostrzegają przed ryzykiem.
5 sygnałów ostrzegawczych, że potrzebujesz konsultacji:
- Stosujesz więcej niż jeden lek jednocześnie.
- Masz choroby przewlekłe (np. cukrzyca, tarczyca).
- Jesteś w ciąży lub karmisz piersią.
- Stosujesz węgiel aktywny dłużej niż kilka dni.
- Występują skutki uboczne (zaparcia, nudności, osłabienie).
Nie bój się pytać – to dowód odpowiedzialności, nie słabości.
Podsumowanie: Czego nauczył nas węgiel aktywny – i co dalej?
Najważniejsze wnioski i rekomendacje na przyszłość
Węgiel aktywny to narzędzie o potwierdzonym działaniu w określonych sytuacjach – przede wszystkim w ostrych zatruciach i filtracji. Nie jest cudownym lekiem na wszystko, nie działa systemowo i może powodować skutki uboczne. Największy potencjał leży w jego mądrym, świadomym wykorzystaniu – z poszanowaniem nauki, środowiska i własnych potrzeb.
Porównując: bohater w sytuacjach kryzysowych, lecz antybohater w codziennych eksperymentach i sezonowych trendach. Społeczeństwo, środowisko i indywidualna odpowiedzialność wymagają, by za modą szła wiedza, a za reklamą – realny dowód skuteczności.
W czasach, gdy każdy może być swoim farmaceutą, najważniejsze jest krytyczne myślenie, edukacja i umiar.
Co jeszcze warto wiedzieć? Najczęstsze pytania i odpowiedzi
Oto FAQ dla najbardziej dociekliwych:
- Czy węgiel aktywny można stosować na czczo? Tak, ale tylko doraźnie i w konkretnych wskazaniach.
- Czy może zaburzać działanie tabletek antykoncepcyjnych? Tak, znacząco obniża ich skuteczność.
- Czy wybielanie zębów węglem jest bezpieczne? Nie, prowadzi do ścierania szkliwa.
- Czy dzieci mogą stosować węgiel aktywny? Tylko pod kontrolą lekarza, w ostrych zatruciach.
- Czy działa też na wirusy? Nie, adsorbuje wyłącznie cząsteczki o określonej strukturze.
- Jaka jest różnica między węglem spożywczym a przemysłowym? Poziom czystości, obecność domieszek, przeznaczenie.
- Czy filtry węglowe trzeba regularnie wymieniać? Tak, zużyty filtr traci skuteczność i może stać się źródłem zanieczyszczeń.
- Czy można stosować węgiel aktywny razem z innymi lekami? Wyłącznie po konsultacji, by nie zaburzyć wchłaniania substancji czynnych.
Zainteresowany_a tematem? Szukaj dalszych informacji w oficjalnych wytycznych GIS, WHO, EMA oraz na neutralnych portalach edukacyjnych.
Ostatecznie: każde pytanie prowadzi do kolejnych wątpliwości – i bardzo dobrze. To najlepsza metoda na wyłuskanie prawdy z marketingowego szumu.
Refleksja: Czy Polska potrzebuje nowej narracji o węglu aktywnym?
Węgiel aktywny to element kultury, historii i domowych rytuałów. Ale tylko dowody naukowe mogą wyznaczyć granicę między realnym wsparciem a złudną nadzieją. To nie tabletka, lecz otwarta głowa i krytyczne myślenie zmieniają nasze zdrowie, otoczenie i decyzje zakupowe.
„Zmiana zaczyna się w głowie, nie w tabletkach.” — Ola, edukatorka zdrowia
Jeśli naprawdę chcesz zadbać o siebie i świat – zacznij od faktów. Węgiel aktywny zostanie z nami na długo, ale to od ciebie zależy, czy skorzystasz z niego z głową.
Źródła
Źródła cytowane w tym artykule
- Wikipedia: Węgiel aktywny(pl.wikipedia.org)
- Lecznicze zastosowanie węgla aktywnego(kozuba.pl)
- Wzgodzieznatura.com – fakty i zastosowanie(wzgodzieznatura.com)
- Ferwer.pl – jak aktywny węgiel poprawia życie(ferwer.pl)
- Oleofarm24 – właściwości i zastosowanie(oleofarm24.pl)
- SFD – historia i właściwości(sklep.sfd.pl)
- Bagovelove – sekrety adsorpcji(bagovelove.pl)
- Greelane – jak działa węgiel aktywowany(greelane.com)
- Bletki.com – filtry z węglem aktywnym(bletki.com)
- ABC Adsorpcji – przemysłowe zastosowania(abcadsorpcji.pl)
- Filtrynakran.pl – fakty i mity(filtrynakran.pl)
- CocoGlam – wybielanie zębów(cocoglam.pl)
- KtoMaLek – kiedy stosować?(ktomalek.pl)
- Medonet – opis i zastosowanie(medonet.pl)
- Wiatrodyskretni.pl – domowe zastosowania(wiatrodyskretni.pl)
- Dobre-suplementy.com.pl(dobre-suplementy.com.pl)
- HappyLifeDIY – jak zrobić filtr do wody(happylifediy.pl)
- ACES – jak działa filtr(aces.pl)
- Lekopedia – dawkowanie i zastosowanie(doz.pl)
- Instrat – normy jakości(instrat.pl)
- Ostrzegamy.online – oszustwa na węgiel(ostrzegamy.online)
- Monederosmart – ranking i opinie(monederosmart.com)
- Heat Decor – alternatywy(heatdecor.com)
- Leki.pl – alternatywy w medycynie(leki.pl)
- UMK – grafen i biofiltry(portal.umk.pl)
- Idea3W – przyszłość grafenu(idea3w.org)
- 9lib.org – skutki wykorzystania paliw kopalnych(9lib.org)
- PoradnikZdrowie – zastosowanie węgla aktywnego(poradnikzdrowie.pl)
Zadbaj o swoje zdrowie
Rozpocznij korzystanie z Medyk.ai już dziś
Więcej artykułów
Odkryj więcej tematów od medyk.ai - Wirtualny asystent medyczny
Wzywanie pomocy w 2026 – dlaczego zwlekamy i jak to zmienić
Wzywanie pomocy nie jest tak proste, jak myślisz. Odkryj szokujące fakty, realne bariery i nowoczesne sposoby działania. Sprawdź, zanim będzie za późno.
Wzdęcia pod lupą: prawdziwe przyczyny, skuteczne rozwiązania i rola AI
Wzdęcia to więcej niż dyskomfort – odkryj 7 szokujących faktów, praktyczne rozwiązania i sekrety, które zmienią twoje podejście. Sprawdź, co naprawdę działa!
Wywoływanie wymiotów naprawdę ratuje życie? Fakty i ryzyko
Wywoływanie wymiotów – fakty, mity, ryzyka i szokujące konsekwencje. Poznaj prawdę i sprawdź, czego nie powiedzą Ci w Google. Przeczytaj zanim zdecydujesz.
Wywiad lekarski, który ratuje zdrowie: czego lekarz nie dopowie
Wywiad lekarski to coś więcej niż pytania i odpowiedzi. Poznaj ukryte zasady, szokujące fakty i praktyczne wskazówki, które odmienią twoje wizyty u lekarza.
Wytyczne kliniczne 2026 – kto naprawdę pociąga za sznurki
Wytyczne kliniczne w 2026: Poznaj szokujące kulisy, praktyczne zastosowania i kontrowersje, których nie znajdziesz w podręcznikach. Odkryj, jak naprawdę zmieniają polską medycynę.
Wysypka, której nie możesz zignorować: kiedy objaw to alarm
Wysypka to nie tylko objaw — odkryj, co naprawdę oznacza, jak rozpoznać zagrożenie i jak nie dać się mitom. Przeczytaj zanim zignorujesz kolejny sygnał skóry!
Wysokie ciśnienie w 2026: nowe normy, stare nawyki, realne ryzyko
Odkryj, co naprawdę ukrywają statystyki i dlaczego 2026 przyniesie szokujące zmiany. Poznaj fakty i uniknij pułapek!
Wyrostek robaczkowy – kiedy ból brzucha staje się wyścigiem z czasem
Wyrostek robaczkowy – nie ignoruj objawów. Poznaj kontrowersje, ukryte fakty i najnowsze badania. Czy jesteś gotów stawić czoła prawdzie?
Wyprysk niemowlęcy, który nie mija – co naprawdę stoi za zmianami skóry?
Wyprysk niemowlęcy – poznaj fakty, które rodzice często przemilczają. Odkryj najnowsze strategie walki z wypryskiem u dzieci. Dowiedz się, co naprawdę działa!
Wyprysk kontaktowy 2026: prawdziwe przyczyny, leczenie, AI
Wyprysk kontaktowy – poznaj prawdziwe przyczyny, zaskakujące fakty i sposoby radzenia sobie, o których większość nie mówi. Kompleksowy przewodnik po 2026 roku.
Wypełniacze w 2026 – piękny efekt czy świadome ryzyko?
Wypełniacze — fakty, mity i kontrowersje. Odkryj, co naprawdę liczy się w świecie wypełniaczy w 2026. Sprawdź, zanim podejmiesz decyzję. Przeczytaj teraz!
Wypalenie zawodowe w 2026: choroba pracy czy systemu?
Wypalenie zawodowe to nie mit. Odkryj, co naprawdę je wywołuje, jak je rozpoznać i dlaczego 2026 zmienia reguły gry. Sprawdź, zanim będzie za późno.
Zobacz też
Artykuły z naszych projektów w kategorii Zdrowie, psychologia i fitness